Road Milk Tankers
Customized Road Milk Tankers for faster and more convenient transportation of milk.

Batch Pasteurizers
Wide Range of Stainless Steel Batch Pasteurizers.

Ice Bank Tank (IBT)
Stainless Steel Finished Single Skid Mounted PUF Insulated I.B.T

Cold Storage Room
Refrigerated food storage chamber that prevents perishable food from spoiling.

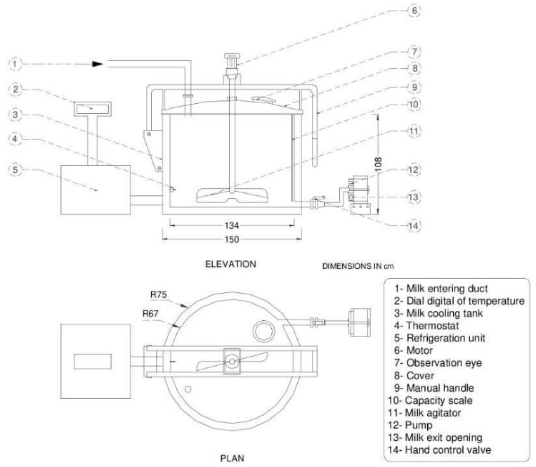
Milk Chilling Vat/Bulk Milk Coolers
Wide range of chilling vat made up of food grade quality raw materials.

Complete Dairy Solutions
Wide Range of Milk Processing Plant and Machines





About Us
We have always maintained Quality Standards and Competitive Pricing of our manufactured products to gain the trust of our customers. As of now we are supplying our manufactured products under the trademark registered as ‘Chisyaan’ to various Dairy sectors in Nepal.
We offer the most adequate product, installation or service for every necessity thereby becoming the most reliable dairy equipment supplier.
Our Product
Our products are engineered for durability, efficiency, and hygiene, meeting dairy industry standards while ensuring reliable performance and long-term value.








